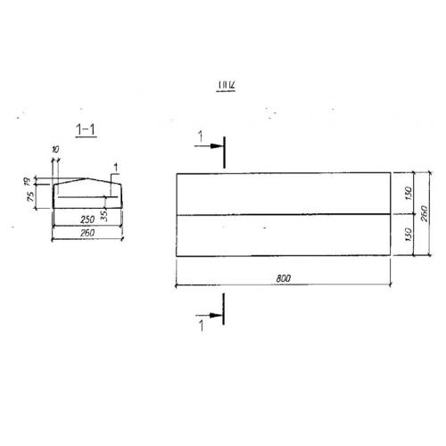
ПП 2 плиты парапетные

Чертеж изделия:
Характеристики изделия:
ПараметрЗначение
длина800 мм
ширина260 мм
высота94 мм
масса45 кг
нормативный документСерия Б 3.300.1-5.04

ПП 2 Плиты парапетные по Серии Б 3.300.1-5.04.