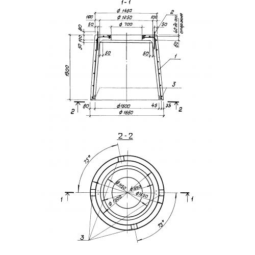
КЛ камера лаза

Чертеж изделия:
Характеристики изделия:
ПараметрЗначение
длина1660 мм
ширина1660 мм
высота1300 мм
масса1620 кг
нормативный документСерия 3.900.-3

КЛ  Камеры лаза по Серии 3.900.-3.