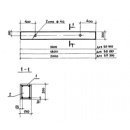
БП 160
Характеристики изделия:
| Параметр | Значение |
|---|---|
| длина | 1600 мм |
| ширина | 150 мм |
| высота | 200 мм |
| вес | 120 кг |
| серия | 3.818.9-2 |
Цена:
Рассчитать стоимостьБП 160 Балки перекрытия каналов по серии 3.818.9-2.
| Параметр | Значение |
|---|---|
| длина | 1600 мм |
| ширина | 150 мм |
| высота | 200 мм |
| вес | 120 кг |
| серия | 3.818.9-2 |
БП 160 Балки перекрытия каналов по серии 3.818.9-2.
