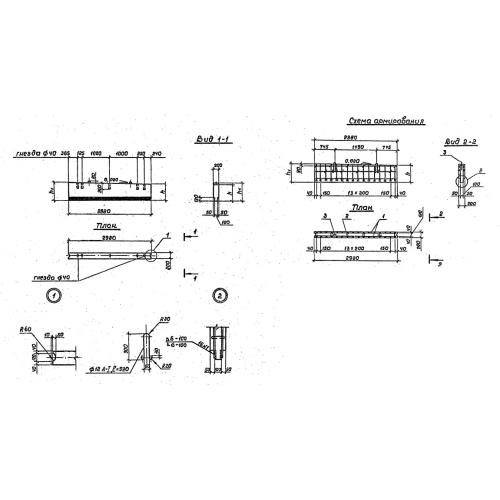
БШ 30-4

Чертеж изделия:
Характеристики изделия:
ПараметрЗначение
длина2980 мм
ширина200 мм
высота490 мм
вес700 кг
серия3.503.1-79

БШ 30-4 Блоки шкафных стенок по серии 3.503.1-79.