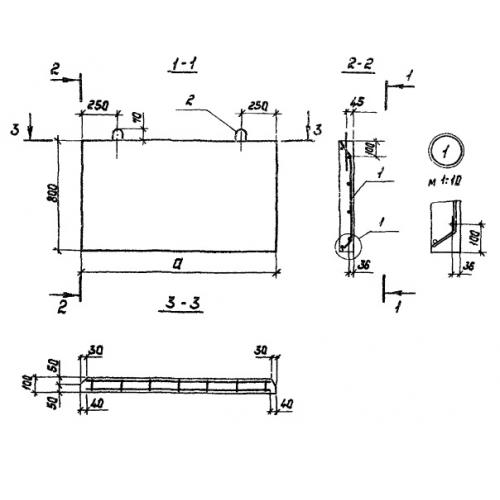
ПС 1

Чертеж изделия:
Характеристики изделия:
ПараметрЗначение
длина1180 мм
ширина100 мм
высота800 мм
вес250 кг
серия3.503.1-75

ПС 1 Плиты заборных стенок по серии 3.503.1-75.