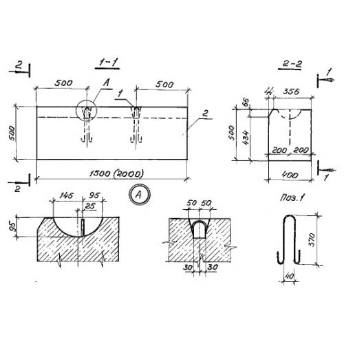
У-2 блок упора

Чертеж изделия:
Характеристики изделия:
ПараметрЗначение
длина2000 мм
ширина400 мм
высота500 мм
вес960 кг
серия3.501.1-156

У-2 Блоки упора по серии 3.501.1-156.