ОП 2.5-5

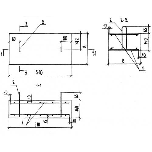
Чертеж изделия:
Характеристики изделия:
ПараметрЗначение
длина510 мм
ширина250 мм
высота140 мм
масса45 кг
нормативный документСерия 1.869.1-1

ОП 2.5-5  Железобетоные опорные подушки Серия 1.869.1-1.