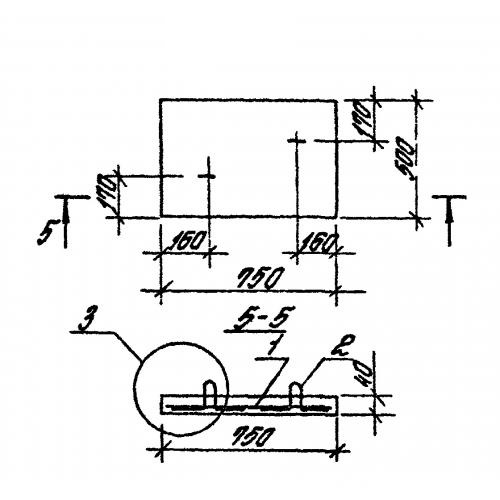
П 1 плита плоская

Чертеж изделия:
Характеристики изделия:
ПараметрЗначение
длина750 мм
ширина500 мм
высота40 мм
масса40 кг
нормативный документСерия 1.465.4-19

П 1  Плиты плоские Серия 1.465.4-19.