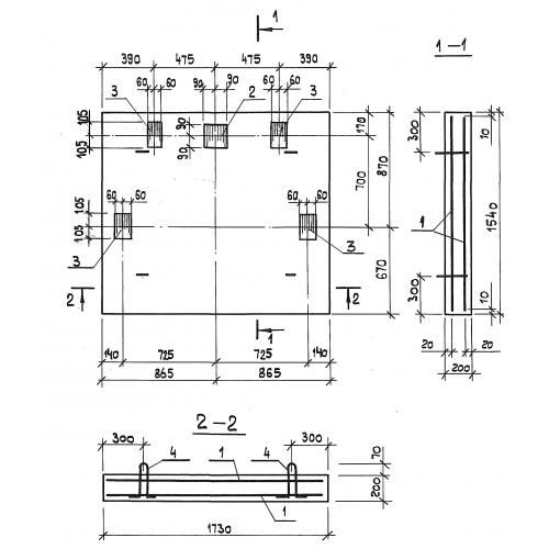
ПП 15.17

Чертеж изделия:
Характеристики изделия:
ПараметрЗначение
длина1540 мм
ширина1730 мм
высота200 мм
вес1330 кг
серия1.189.1-8

ПП 15.17 Плиты приямка по серии 1.189.1-8.