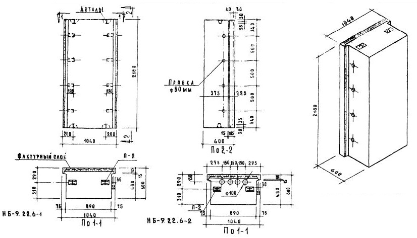
НБ-9.22.6-2
Характеристики изделия:
| Параметр | Значение |
|---|---|
| Длина | 1040 мм |
| Ширина | 600 мм |
| Высота | 2180 мм |
| Масса | 2215 кг |
| Нормативный документ | Серия 1.133-1 |
Цена:
Рассчитать стоимостьСтеновые легкобетонные блоки толщиной 60 см по Серии 1.133-1.
НБ-9.22.6-2 Простеночный блок.