НР2л-52.29.3-6
Характеристики изделия:
| Параметр | Значение |
|---|---|
| Длина | 5195 мм |
| Ширина | 300 мм |
| Высота | 2900 мм |
| Масса | 5000 кг |
| Нормативный документ | Серия 1.132-2 |
Цена:
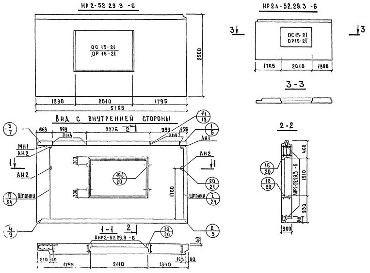
Рассчитать стоимостьНР2л-52.29.3-6 Наружная стеновая панель рядовая по Серии 1.132-2.
| Параметр | Значение |
|---|---|
| Длина | 5195 мм |
| Ширина | 300 мм |
| Высота | 2900 мм |
| Масса | 5000 кг |
| Нормативный документ | Серия 1.132-2 |
НР2л-52.29.3-6 Наружная стеновая панель рядовая по Серии 1.132-2.