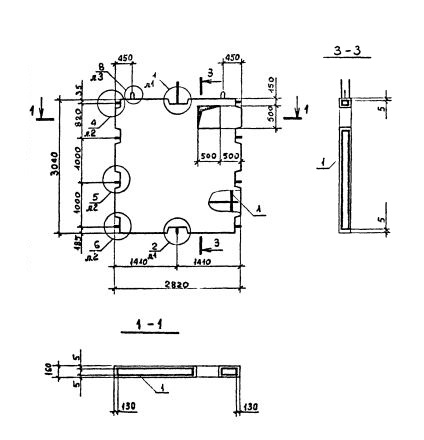
ПВ 28.30-1ТВ-С

Чертеж изделия:
Характеристики изделия:
ПараметрЗначение
длина2820 мм
ширина160 мм
высота3040 мм
масса3180 кг
нормативный документСерия 1.090.1-2с

ПВ 28.33-1ТВ-С  Панели внутренние без проемов (Серия 1.090.1-2с).

1ТВ - бетон  тяжелый марки М250, панель с вентиляционным отверстием.

С - для сейсмических районов.