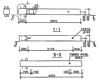
КБ 33

Чертеж изделия:
Характеристики изделия:
ПараметрЗначение
длина4370 мм
ширина400 мм
высота400 мм
масса1747 кг
нормативный документСерия 1.020.1-2с/89

КБ 33  Колонны бесстыковые Серия 1.020.1-2с/89.