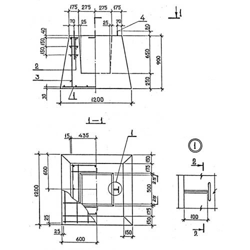
2Ф 12.9 фундаменты под колонну

Чертеж изделия:
Характеристики изделия:
ПараметрЗначение
длина1200 мм
ширина1200 мм
высота900 мм
масса2100 кг
нормативный документСерия 1.020-1/83

2Ф 12.9  Фундаменты цельные под колонны Серия 1.020-1/83.