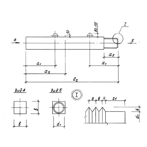
С 80.30-вс сваи составные верхние

Чертеж изделия:
Характеристики изделия:
ПараметрЗначение
длина8000 мм
ширина300 мм
высота300 мм
масса1780 кг
нормативный документСерия 1.011.1-10

С 80.30-вс   Сваи составные верхние Серия 1.011.1-10.