САМ 15 (125)

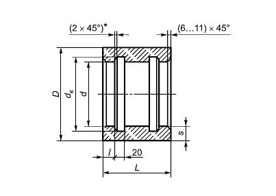
Чертеж изделия:
Характеристики изделия:
ПараметрЗначение
длина140 мм
ширина173 мм
высота173 мм
масса5 кг
нормативный документГОСТ 31416-2009

 САМ 15 (125)   Асбоцементные муфты для напорных трубопроводов ГОСТ 31416-2009.