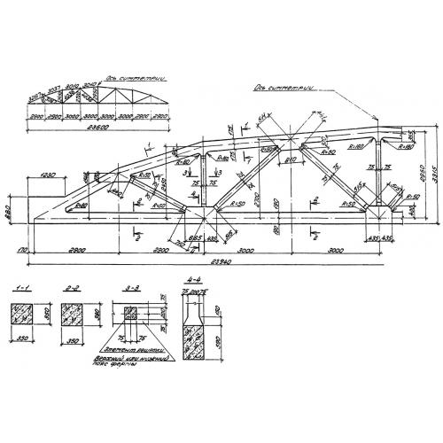
4ФС 24

Чертеж изделия:
Характеристики изделия:
ПараметрЗначение
длина23940 мм
ширина350 мм
высота3315 мм
масса18600 кг
нормативный документГОСТ 20213-89

4ФС 24  Фермы раскосные сегментные ГОСТ 20213-89.