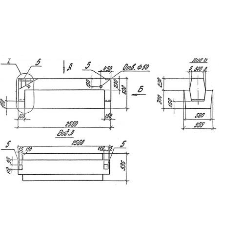
РДП 6.26

Чертеж изделия:
Характеристики изделия:
ПараметрЗначение
длина2560 мм
ширина595 мм
высота600 мм
масса1650 кг
нормативный документГОСТ 18980-90

РДП 6.26   Ригели  с двумя симметричными полками для опоры многопустотных плит покрытия  ГОСТ 18980-90.