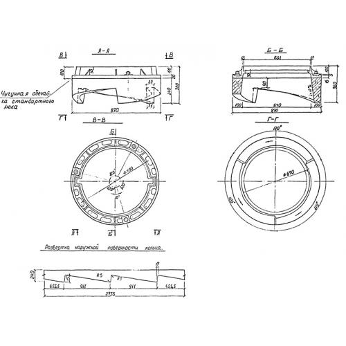
ПК 7 кольцо поворотное

Чертеж изделия:
Характеристики изделия:
ПараметрЗначение
длина870 мм
ширина870 мм
высота360 мм
масса90 кг
нормативный документАльбом РК 2201-82

ПК 7  Кольца колодцев стеновые Альбом РК 2201-82.